KINGTECH
Giá bán: Liên hệ  

Chia sẻ

facebook | zalo | I'm Online |
Mr. Vui
0944755799
facebook | zalo | I'm Online |
Mr. Định
0968776499
facebook | zalo | I'm Online |
Mr. Thuyên
+84963829640
facebook | zalo | I'm Online |
Lê Thị Thanh Hương
0979898586


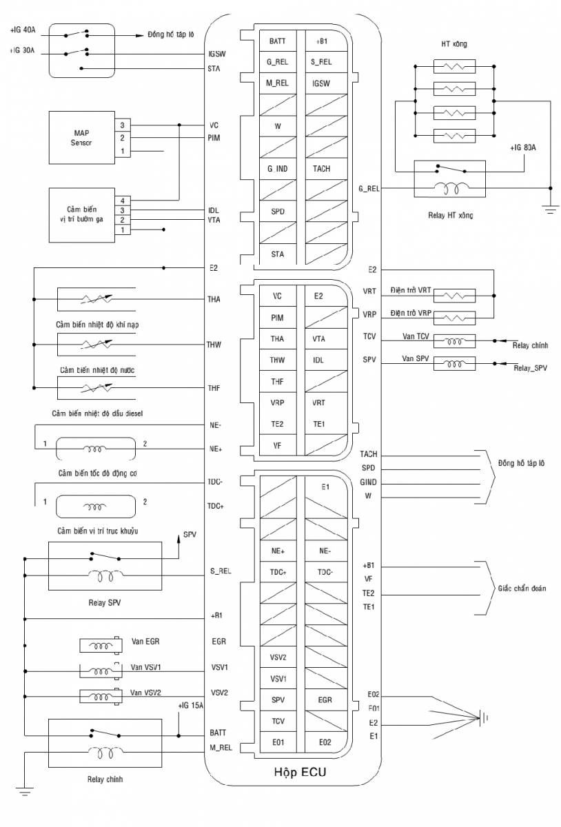
Sơ đồ mạch điện hệ thống điều khiển động cơ

Gửi đi
Bình luận thành công!
zalo
whatsapp